【机情无限 精彩毕设】机械2024届毕业设计(论文)中期检查优秀案例分享第三十期——面向变桨叶片低频振动抑制的可调谐吸振设计
学生姓名:李鑫
班级班级:机械2020-6班
指导教师:王熙
毕设题目:面向变桨叶片低频振动抑制的可调谐吸振设计


一、概况
1.选题意义
随着风力发电机的大型化发展,风轮直径增大,导致桨叶柔性增加、自振频率降低,从而导致风机桨叶极易发生振动。变桨叶片变桨时会使得桨叶固有频率发生变化,为了提高吸振器的振动抑制效果,需要根据风机的固有频率改变吸振器的固有频率。我们设计出可调谐电磁吸振器,从吸振器方面解决桨叶不同频率的振动问题,从而在振动控制方面保证桨叶的正常运行。
2.任务分解
(1)熟悉课题,查阅资料、文献、翻译外文资料(2周)
(2)确定吸振器设计整体方案(2周)
(3)设计桨叶缩比模型,分析电磁吸振器的调谐范围(2周)
(4)分析吸振器调谐机理,设计动力吸振器结构、参数和布置位置等。(4周)
(5)加工叶片模型,并进行减振实验(4周)
(6)撰写毕业设计论文,制作PPT,准备答辩。 (2周)
(7)考核答辩。(1周)
二、已完成工作
1.查阅资料、熟悉国内外电磁吸振器以及叶片振动控制现状,学习吸振器的相关知识及电磁吸振器的设计;
2.运用ANSYS仿真分析真实风机叶片的一阶固有频率大小,结合实验条件设计出实验所需的叶片模型;

3.根据3D打印材料属性对叶片模型进行ANSYS模态分析,得到叶片模型固有频率;

4.根据叶片模型固有频率的可调节范围,设计电磁吸振器固有频率的可调节范围;
5.电磁吸振器固有频率的可调节范围,通过预应力模态分析得到电磁力调节范围;

6.设计动力吸振器的结构、电磁线圈、布置位置等;
7.运用ANSYS Maxwell软件对磁力进行仿真分析,得到电流范围;

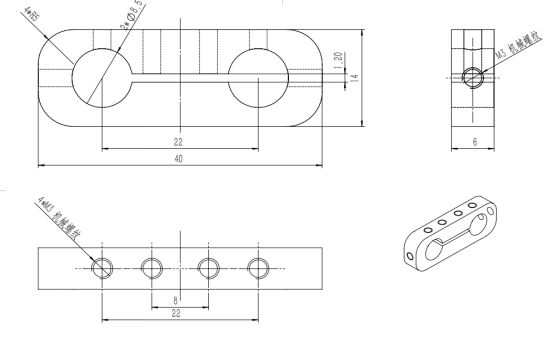
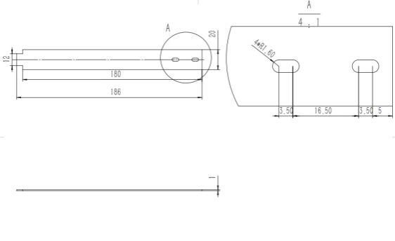
8.绘制加工实物所需零件图。
三、下一步工作计划
1.加工所需零件并进行安装,进行吸振实验;
2.根据得到的实验数据对吸振器的吸振效果进行分析并提出改善措施;
3.绘制装配图并整理毕业论文;
4.对毕业设计进行分析总结。

问题一:实验时外部的吸振装置是否会对桨叶正常的运行产生影响?
回答:对于真实的桨叶,外部的吸振装置与安装平台确实会对桨叶的正常运行产生影响。但是实验时桨叶模型较小,不方便安装在桨叶内部,我们主要是模拟桨叶的振动情况,所以暂时不用考虑对桨叶运行的影响。
问题二:你实验的装置是否准备好?
回答:实验时需要的桨叶模型正在3D打印,吸振器的零件已经交给商家加工,实验的测试装置由指导老师提供。

在我的毕业设计从开题到中期答辩的这个过程中,我熟悉了工程设计的流程。每一个工程设计从有一个设计目标到逐渐完成设计,期间是通过理论设计到模拟仿真,最后做实验验证并分析,这期间需要按照逻辑做好每一个工作,明确每一个任务需求,同时这是一个不断地完善、不断优化的过程。
其次,我复习了SW软件并且学习了ANSYS软件,尤其是其中的模态分析板块及电磁仿真板块。并且我对吸振相关的知识有了更充分的了解,同时接触到了电磁吸振器,这是一个新颖的设计,巧妙的将电磁力与吸振器联系到一起,从而解决可调谐的吸振问题。
最后,感谢指导老师在每个阶段给予督促,在我不清楚如何设计时给予我建议,在我设计出错时及时提醒,在进行零件加工时给予帮助。
毕设时间已经过去了大半,剩下的时间里我需要加快步伐,争取早日完成毕业设计,顺利通过毕业答辩。